Collegamento apriporta elettrico per videocitofoni Hikvision DS-KIS202, DS-KIS101-P, DS-KIS603-P, DS-KIS604-S, DS-KIS703-P
Notizie del giorno: 16-11-2020
Collegamento dell'apriporta elettrico:
Videocitofono DS-KIS202:

DS-KIS703-P videocitofono:

DS-KIS603-P videocitofono

DS-KIS604-S videocitofono

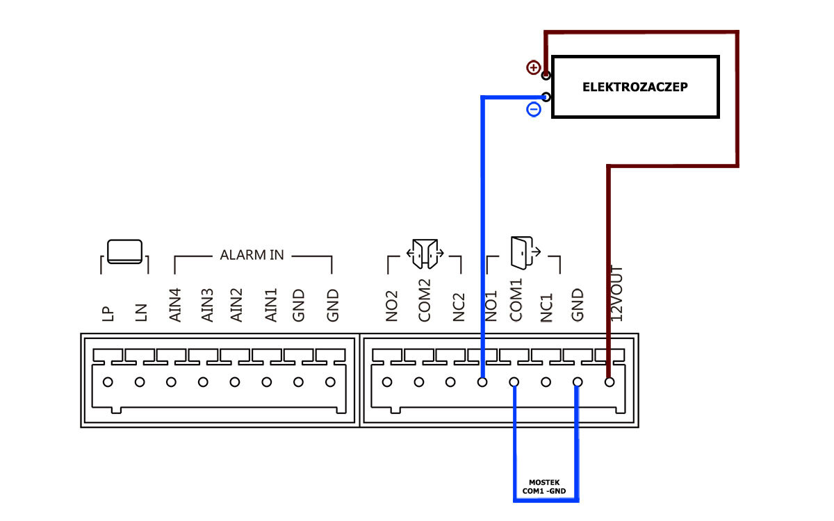
Collegamento dell'apriporta elettrico:
Videocitofono DS-KIS202:

Videocitofono DS-KIS101-P (alimentazione dell'apriporta dalla rete elettrica):
Videocitofono DS-KIS101-P (alimentazione dell'apriporta dal pannello esterno):


DS-KIS703-P videocitofono:

DS-KIS603-P videocitofono

DS-KIS604-S videocitofono

Altre voci

23-04-2024
leggi di più
Area marchi
Le nostre raccomandazioni
- Monitoraggio della città
- Monitoraggio domestico
- Monitoraggio del quartiere
- Monitoraggio del negozio
- Monitoraggio della farmacia
- Monitoraggio del parcheggio
- Monitoraggio dell'ufficio
- Monitoraggio della scuola
- Monitoraggio del magazzino
- Monitoraggio della stazione di servizio
- Calcolatore della capacità del disco rigido
- Calcolatore della lunghezza focale dell'obiettivo
- Assistenza completa degli esperti
- Esecuzione efficiente degli ordini
- Prezzi competitivi, promozioni e sconti
- 17 anni sul mercato